Standard kivitelű egykarimás gumikompenzátor rezgéscsillapításhoz
Speciális EPDM-gumit vulkanizálnak közvetlenül egy DIN-karimára, ami így tökéletes tömítést és minimális beépítési hosszt biztosít. EPDM-SP lehetővé teszi a magas hőmérsékletnél történő alkalmazást.
Részletes műszaki adatok a C2 típusú gumikompenzátorokhoz a következő táblázatban és a dokumentumokban találhatóak, vagy Lépjen velünk kapcsolatba.


*Ez a termék csupán kis amplitúdójú vibrációk felvételére alkalmas
| Gumi anyagminőség | Szín | Felhasználási terület | Max. megengedett hőmérséklet | |||
|---|---|---|---|---|---|---|
| EPDM-SP | piros | melegvíz / fűtési rendszerek | 110°C | |||
*A szükséges gumi minőségének meghatározásához kérjük, tekintse meg teljes gumi-megfelelőségi táblázatunkat
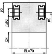
Névleges | Összesen | Mozgások | ||
|---|---|---|---|---|
átmérő | Hossz | Axiális | Laterális | Anguláris |
25 | 70 | rezgések | ||
32 | 70 | rezgések | ||
40 | 70 | rezgések | ||
50 | 70 | rezgések | ||
65 | 70 | rezgések | ||
80 | 70 | rezgések | ||
100 | 70 | rezgések | ||
125 | 70 | rezgések | ||
150 | 70 | rezgések | ||
200 | 70 | rezgések | ||