Standard nemesacél-hullámtömlő, szimpla fonatos (1-rétegű) PTFE-béléssel (TEFLON) nyomásos felhasználásra.
Különböző szabványos és nem-szabványos csatlakozással, bármilyen hosszban kapható, max. 5 m-es darabokban. A kiválasztott csatlakozások szénacél vagy nemesacél kivitelben kaphatók.
Részletes műszaki adatok a PTFE-béléscsővel rendelkező nemesacél hullámtömlőkhöz a következő táblázatban és a dokumentumokban találhatóak, vagy Lépjen velünk kapcsolatba.

SE111-Alap | SE112-Alap | |||||||
|---|---|---|---|---|---|---|---|---|
DN * | PN | Dinamikus | Ca. | PN | Dinamikus | Ca. | Teljes | |
20 | 3/4" | 40 | 200 | 540 | 65 | 220 | 910 | 5000 |
25 | 1" | 40 | 220 | 800 | 65 | 245 | 1410 | 5000 |
32 | 1 1/4" | 25 | 270 | 1000 | 50 | 300 | 1700 | 5000 |
40 | 1 1/2" | 25 | 300 | 1250 | 50 | 330 | 2180 | 5000 |
50 | 2" | 25 | 350 | 1650 | 40 | 385 | 2640 | 5000 |
65 | 2 1/2" | 20 | 410 | 2380
| 25 | 450 | 4090 | 5000 |
80 | 3" | 16 | 450 | 2600 | 25 | 500 | 4210 | 5000 |
100 | 4" | 16 | 560 | 3450 | 25 | 620 | 5500 | 5000 |
125 | 5" | 10 | 660 | 5800 | 20 | 730 | 9480 | 5000 |
150 | 6" | 10 | 815 | 8200 | 16 | 900 | 11120 | 5000 |
*egyéb méretek kérésre kaphatók
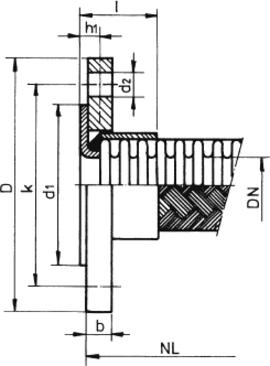
Hegesztő nyak karima és forgatható karima SE110 típusú hullámtömlőhöz.
Kapható acélból vagy rozsdamentes acélból. Karimák a DIN, ANSI, más szabványok szerint vagy az ügyfél igényei szerint.

| DN | l | h1 |
|---|---|---|
| 10 | 29 | 9 |
| 15 | 29 | 9 |
| 20 | 32 | 12 |
| 25 | 40 | 20 |
| 32 | 40 | 20 |
| 40 | 40 | 20 |
| 50 | 40 | 20 |
| 65 | 40 | 20 |
| 80 | 50 | 25 |
| 100 | 50 | 25 |
| 125 | 60 | 30 |
| 150 | 70 | 30 |
*DIN EN 1092 szerint 02 + 33 típus PN 10
**Egyéb DN és D-, k-, d1-, d2-, b-méretek esetén kérjük olvassa el a standard-oldalt vagy a katalógus függelékét.

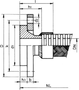
Hegesztő nyak karima és forgatható karima SE110 típusú hullámtömlőhöz.
Kapható acélból vagy rozsdamentes acélból. Karimák a DIN, ANSI, más szabványok szerint vagy az ügyfél igényei szerint.

| DN | l | h1 | h3 |
|---|---|---|---|
| 10 | 55 | 35 | 12 |
| 15 | 55 | 38 | 12 |
| 20 | 60 | 40 | 14 |
| 25 | 60 | 40 | 14 |
| 32 | 60 | 42 | 14 |
| 40 | 60 | 45 | 14 |
| 50 | 65 | 45 | 16 |
| 65 | 65 | 45 | 16 |
| 80 | 75 | 50 | 16 |
| 100 | 75 | 52 | 18 |
| 125 | 80 | 55 | 18 |
| 150 | 90 | 55 | 20 |
*DIN EN 1092 szerint 04 + 34 típus PN 10-PN16
**Egyéb DN és D-, k-, d1-, d2-, b-méretek esetén kérjük olvassa el a standard-oldalt vagy a katalógus függelékét.

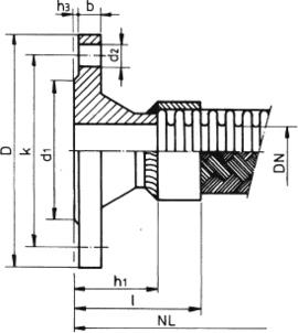
Bördel és laza karima az SE110 típusú rozsdamentes acél hullámtömlőhöz.
Kapható acélból vagy rozsdamentes acélból. Karimák a DIN, ANSI, más szabványok vagy az ügyfél igényei szerint.

| DN | l | h1 | h3 |
|---|---|---|---|
| 10 | 75 | 55 | 12 |
| 15 | 75 | 55 | 12 |
| 20 | 80 | 60 | 14 |
| 25 | 85 | 65 | 14 |
| 32 | 90 | 70 | 14 |
| 40 | 95 | 75 | 14 |
| 50 | 95 | 80 | 16 |
| 65 | 100 | 85 | 16 |
| 80 | 110 | 90 | 16 |
| 100 | 115 | 90 | 16 |
| 125 | 120 | 95 | 18 |
| 150 | 135 | 55 | 20 |
*DIN EN 1092 szerint 02 + 32 típus PN 10-PN16
**Egyéb DN és D-, k-, d1-, d2-, b-méretek esetén kérjük olvassa el a standard-oldalt vagy a katalógus függelékét.

Hegesztett fix karima SE110 típusú hullámtömlőhöz.
Kapható acélból vagy rozsdamentes acélból. Karimák a DIN, ANSI, más szabványok vagy az ügyfél igényei szerint.

| DN | l | h1 |
|---|---|---|
| 10 | 55 | 35 |
| 15 | 55 | 38 |
| 20 | 58 | 40 |
| 25 | 58 | 40 |
| 32 | 60 | 42 |
| 40 | 62 | 45 |
| 50 | 65 | 45 |
| 65 | 65 | 45 |
| 80 | 75 | 50 |
| 100 | 77 | 52 |
| 125 | 85 | 55 |
| 150 | 95 | 55 |
*DIN EN 1092 szerint 11 típus PN 10-PN19
**Egyéb DN és D-, k-, d1-, d2-, b-méretek esetén kérjük olvassa el a standard-oldalt vagy a katalógus függelékét.

Hegesztési végződés az SE110 típusú hullámtömlőhöz.
Kapható acélból vagy rozsdamentes acélból. Méretek a szabvány vagy az ügyfél igényei szerint.

| DN | d | s |
l | l1 |
|---|---|---|---|---|
| 6 | 8 | 1 | 70 | 50 |
| 10 | 13.5 | 1.8 * | 70 | 50 |
| 12 | 17.2 | 1.8 * | 70 | 50 |
| 15 | 21.3 | 2 | 70 | 50 |
| 20 | 26.9 | 2.6 | 75 | 55 |
| 25 | 33.7 | 2.6 | 80 | 60 |
| 32 | 42.4 | 2.6 | 85 | 65 |
| 40 | 48.3 | 2.6 | 90 | 70 |
| 50 | 60.3 | 2.9 | 90 | 70 |
| 65 | 76.1 | 2.9 | 95 | 75 |
| 80 | 88.9 | 3.2 | 105 | 80 |
| 100 | 114.3 | 3.6 | 110 | 85 |
| 125 | 139.7 | 4 | 115 | 85 |
| 150 | 168.3 | 4.5 ** | 130 | 90 |
| 200 | 219.1 | 6.3 ** | 140 | 100 |
| 250 | 273.0 | 6.3 ** | 140 | 100 |
| 300 | 323.9 | 7.1 ** | 140 | 100 |
*1.6 mm nemesacélhoz
**4,0 mm nemesacélhoz
***Egyéb átmérő, vastagság vagy hossz kérésre

Csőcsatlakozó vágógyűrű szerelvény SE110 hullámcsőhöz.
Kapható acélból vagy rozsdamentes acélból. Méretek a szabvány vagy az ügyfél igényei szerint.

| DN | d | s |
l | l1 |
|---|---|---|---|---|
| 6 | 8 | 1 | 48 | 28 |
| 8 | 10 | 1 | 50 | 30 |
| 10 | 12 | 1.5 | 50 | 30 |
| 12 | 15 | 1.5 | 52 | 32 |
| 15 | 18 | 1.5 | 52 | 32 |
| 20 | 22 | 1.5 | 56 | 36 |
| 25 | 28 | 1.5 | 60 | 40 |
| 32 | 35 | 2 | 65 | 45 |
| 40 | 42 | 2 | 65 | 45 |
*egyéb átmérő, vastagság vagy hossz kérésre

Csavaros csatlakozás 24 ° -os kúpos tömítés belső menettel az SE110 hullámtömlőhöz.
Kapható acélból vagy rozsdamentes acélból. Méretek a szabvány vagy az ügyfél igényei szerint.

| DN | d | l |
l1 | SW1 | SW1 |
|---|---|---|---|---|---|
| 6 | 1/4" | 65 | 45 | 19 | 19 |
| 10 | 3/8" | 68 | 48 | 22 | 22 |
| 12 | 1/2" | 75 | 32 | 27 | 32 |
| 15 | 1/2" | 75 | 55 | 32 | 27 |
| 20 | 3/4" | 82 | 62 | 36 | 32 |
| 25 | 1" | 87 | 67 | 41 | 41 |
| 32 | 1 1/2" | 93 | 73 | 50 | 46 |
| 40 | 1 1/2" | 97 | 77 | 60 | 55 |
| 50 | 2" | 105 | 85 | 70 | 65 |
*Egyéb menetes csatlakozások kérésre kaphatók, mint metrikus, NPT, hengeres.

Csavarozható 24 ° -os kúpos tömítés külső menettel az SE110 hullámtömlőhöz.
Kapható acélból vagy rozsdamentes acélból. Méretek a szabvány vagy az ügyfél igényei szerint.

| DN | d | l |
l1 | SW1 | SW1 |
|---|---|---|---|---|---|
| 6 | 1/4" | 70 | 50 | 19 | 17 |
| 10 | 3/8" | 73 | 53 | 22 | 19 |
| 12 | 1/2" | 82 | 62 | 32 | 27 |
| 15 | 1/2" | 82 | 62 | 32 | 27 |
| 20 | 3/4" | 90 | 70 | 36 | 32 |
| 25 | 1" | 95 | 75 | 41 | 41 |
| 32 | 1 1/2" | 101 | 81 | 50 | 46 |
| 40 | 1 1/2" | 107 | 87 | 60 | 55 |
| 50 | 2" | 113 | 93 | 70 | 65 |
*Egyéb menetes csatlakozások kérésre kaphatók, mint metrikus, NPT, hengeres

Csavarkötés 24 ° -os kúpos tömítés hegesztő végével az SE110 hullámcsőhöz.
Kapható acélból vagy rozsdamentes acélból. Méretek a szabvány vagy az ügyfél igényei szerint.

| DN | d x s | l |
l1 | SW1 | SW1 |
|---|---|---|---|---|---|
| 6 | 8x1 | 70 | 50 | 19 | 17 |
| 10 | 13.5x1.8* | 73 | 53 | 22 | 19 |
| 12 | 17.2x1.8* | 82 | 62 | 32 | 27 |
| 15 | 21.3x2 | 82 | 62 | 32 | 27 |
| 20 | 26.9x2.6 | 90 | 70 | 36 | 32 |
| 25 | 33.7x2.6 | 95 | 75 | 41 | 41 |
| 32 | 42.4x2.6 | 101 | 81 | 50 | 46 |
| 40 | 48.3x2.6 | 107 | 87 | 60 | 55 |
| 50 | 60.3x2.9 | 113 | 93 | 70 | 65 |
*1.6 mm nemesacélhoz
**egyéb hosszúságok kérésre

Külső menetes hatlap csatlakozó az SE110 hullámcsőhöz.
Kapható acélból vagy rozsdamentes acélból. Méretek a szabvány vagy az ügyfél igényei szerint.

| DN | d | l |
l1 | SW |
|---|---|---|---|---|
| 6 | 1/4" | 45 | 25 | 17 |
| 10 | 3/8" | 48 | 28 | 19 |
| 12 | 1/2" | 51 | 31 | 22 |
| 15 | 1/2" | 51 | 31 | 22 |
| 20 | 3/4" | 52 | 32 | 27 |
| 25 | 1" | 60 | 40 | 36 |
| 32 | 1 1/2" | 63 | 43 | 46 |
| 40 | 1 1/2" | 66 | 46 | 50 |
| 50 | 2" | 70 | 50 | 60 |
| 65 | 2 1/2" | 80 | 60 | 80 |
| 80 | 3" | 100 | 75 | 95 |
*A teljes menetspecifikációk a függelékben, a normáinkat tartalmazó katalógusoldalon találhatóak

Külső menetes hatlap csatlakozó az SE110 hullámcsőhöz.
Kapható acélból vagy rozsdamentes acélból. Méretek a szabvány vagy az ügyfél igényei szerint.

| DN | d | l |
l1 | SW |
|---|---|---|---|---|
| 6 | 1/4" | 45 | 25 | 17 |
| 10 | 3/8" | 48 | 28 | 19 |
| 12 | 1/2" | 51 | 31 | 22 |
| 15 | 1/2" | 51 | 31 | 22 |
| 20 | 3/4" | 52 | 32 | 27 |
| 25 | 1" | 60 | 40 | 36 |
| 32 | 1 1/2" | 63 | 43 | 46 |
| 40 | 1 1/2" | 66 | 46 | 50 |
| 50 | 2" | 70 | 50 | 60 |
| 65 | 2 1/2" | 80 | 60 | 80 |
| 80 | 3" | 100 | 75 | 95 |

Belső menetes csatlakozó SE110 hullámtömlőhöz.
Kapható acélból vagy rozsdamentes acélból. Méretek a szabvány vagy az ügyfél igényei szerint.

| DN | d | l |
l1 |
|---|---|---|---|
| 6 | 1/4" | 45 | 25 |
| 10 | 3/8" | 46 | 26 |
| 12 | 1/2" | 54 | 34 |
| 15 | 1/2" | 54 | 34 |
| 20 | 3/4" | 56 | 36 |
| 25 | 1" | 63 | 43 |
| 32 | 1 1/2" | 68 | 48 |
| 40 | 1 1/2" | 68 | 48 |
| 50 | 2" | 76 | 56 |
| 65 | 2 1/2" | 85 | 65 |
| 80 | 3" | 96 | 71 |
*A teljes menetspecifikációk a függelékben, a normáinkat tartalmazó katalógusoldalon találhatóak

Kúpos csavarkötés belső menettel SE110 hullámtömlőhöz.
Öntöttvasból, acélból vagy rozsdamentes acélból. Méretek a szabvány vagy az ügyfél igényei szerint.

| DN | d | l |
l1 | SW1 |
SW2 |
|---|---|---|---|---|---|
| 6 | 1/4" | 65 | 45 | 28 | 18 |
| 10 | 3/8" | 67 | 47 | 32 | 22 |
| 12 | 1/2" | 74 | 54 | 39 | 26 |
| 15 | 1/2" | 74 | 54 | 39 | 26 |
| 20 | 3/4" | 79 | 59 | 48 | 31 |
| 25 | 1" | 84 | 64 | 54 | 38 |
| 32 | 1 1/2" | 87 | 67 | 67 | 48 |
| 40 | 1 1/2" | 91 | 71 | 73 | 54 |
| 50 | 2" | 102 | 82 | 90 | 66 |
*Egyéb menetes csatlakozások kérésre kaphatók, mint metrikus, NPT, hengeres
**A teljes menetspecifikációk a függelékben, a normáinkat tartalmazó katalógusoldalon találhatóak

Csavarkötés anya menetes lapos tömítéssel az SE110 hullámcsőhöz.
Öntöttvasból, acélból vagy rozsdamentes acélból. Méretek a szabvány vagy az ügyfél igényei szerint.

| DN | d | l |
l1 | SW1 |
SW2 |
|---|---|---|---|---|---|
| 6 | 1/4" | 65 | 45 | 28 | 18 |
| 10 | 3/8" | 67 | 47 | 32 | 22 |
| 12 | 1/2" | 74 | 54 | 39 | 26 |
| 15 | 1/2" | 74 | 54 | 39 | 26 |
| 20 | 3/4" | 79 | 59 | 48 | 31 |
| 25 | 1" | 84 | 64 | 54 | 38 |
| 32 | 1 1/2" | 87 | 67 | 67 | 48 |
| 40 | 1 1/2" | 91 | 71 | 73 | 54 |
| 50 | 2" | 102 | 82 | 90 | 66 |
*Egyéb menetes csatlakozások kérésre kaphatók, mint metrikus, NPT, hengeres
**A teljes menetspecifikációk a függelékben, a normáinkat tartalmazó katalógusoldalon találhatóak

Kúpos csavaros csatlakozás külső menettel SE110 hullámcsőhöz.
Öntöttvasból, acélból vagy rozsdamentes acélból. Méretek a szabvány vagy az ügyfél igényei szerint.

| DN | d | l |
l1 | SW1 |
SW2 |
|---|---|---|---|---|---|
| 6 | 1/4" | 78 | 58 | 28 | 18 |
| 10 | 3/8" | 83 | 63 | 32 | 22 |
| 12 | 1/2" | 93 | 73 | 39 | 26 |
| 15 | 1/2" | 93 | 73 | 39 | 26 |
| 20 | 3/4" | 101 | 81 | 48 | 31 |
| 25 | 1" | 107 | 87 | 54 | 38 |
| 32 | 1 1/2" | 111 | 91 | 67 | 48 |
| 40 | 1 1/2" | 117 | 97 | 73 | 54 |
| 50 | 2" | 131 | 111 | 90 | 66 |
*Egyéb menetes csatlakozások kérésre kaphatók, mint metrikus, NPT, hengeres
**A teljes menetspecifikációk a függelékben, a normáinkat tartalmazó katalógusoldalon találhatóak

Lapos tömítőcsavarkötés külső menettel SE110 hullámcsőhöz.
Öntöttvasból, acélból vagy rozsdamentes acélból. Méretek a szabvány vagy az ügyfél igényei szerint.

| DN | d | l |
l1 | SW1 |
SW2 |
|---|---|---|---|---|---|
| 6 | 1/4" | 78 | 58 | 28 | 18 |
| 10 | 3/8" | 83 | 63 | 32 | 22 |
| 12 | 1/2" | 93 | 73 | 39 | 26 |
| 15 | 1/2" | 93 | 73 | 39 | 26 |
| 20 | 3/4" | 101 | 81 | 48 | 31 |
| 25 | 1" | 107 | 87 | 54 | 38 |
| 32 | 1 1/2" | 111 | 91 | 67 | 48 |
| 40 | 1 1/2" | 117 | 97 | 73 | 54 |
| 50 | 2" | 131 | 111 | 90 | 66 |
*Egyéb menetes csatlakozások kérésre kaphatók, mint metrikus, NPT, hengeres
**A teljes menetspecifikációk a függelékben, a normáinkat tartalmazó katalógusoldalon találhatóak

Csavarkötés hegesztővéggel, kúpos tömítéssel, SE110 hullámcsőhöz.
Kapható acélból vagy rozsdamentes acélból. Méretek a szabvány vagy az ügyfél igényei szerint.

| DN | d | l |
l1 | SW |
|---|---|---|---|---|
| 10 | 13.5 | 62 | 42 | 27 |
| 12 | 17.2 | 65 | 45 | 27 |
| 15 | 21.3 | 74 | 54 | 32 |
| 20 | 26.9 | 80 | 60 | 41 |
| 25 | 33.7 | 87 | 67 | 50 |
| 32 | 42.4 | 95 | 75 | 60 |
| 40 | 48.3 | 101 | 81 | 70 |
| 50 | 60.3 | 114 | 94 | 85 |
| 65 | 76.1 | 122 | 102 | 100 |
| 80 | 88.9 | 132 | 107 | 120 |
*egyéb csőméretek és csőhosszak kérésre kaphatók

Csavaros csatlakozás hegesztővéggel, lapos tömítés, az SE110 hullámcsőhöz.
Kapható acélból vagy rozsdamentes acélból. Méretek a szabvány vagy az ügyfél igényei szerint.

| DN | d | l |
l1 | SW |
|---|---|---|---|---|
| 10 | 13.5 | 62 | 42 | 27 |
| 12 | 17.2 | 65 | 45 | 27 |
| 15 | 21.3 | 74 | 54 | 32 |
| 20 | 26.9 | 80 | 60 | 41 |
| 25 | 33.7 | 87 | 67 | 50 |
| 32 | 42.4 | 95 | 75 | 60 |
| 40 | 48.3 | 101 | 81 | 70 |
| 50 | 60.3 | 114 | 94 | 85 |
| 65 | 76.1 | 122 | 102 | 100 |
| 80 | 88.9 | 132 | 107 | 120 |
*egyéb csőméretek és csőhosszak kérésre kaphatók

Csavarozza le az összekötő tömítő kúpot az anyával az SE110 hullámcső tömlőhöz.
Kapható acélból vagy rozsdamentes acélból. Méretek a szabvány vagy az ügyfél igényei szerint.

| DN | DIN2999 | ISO228 | l | l1 | ||
|---|---|---|---|---|---|---|
| [mm] | d | SW | d | SW | [mm] | [mm] |
| 6 | 1/4" | 17 | 14x1.5 | 17 | 44 | 24 |
| 8 | 3/8" | 20 | 16x1.5 | 19 | 44 | 24 |
| 10 | 1/2" | 24 | 18x1.5 | 22 | 45 | 25 |
| 12 | 5/8" | 27 | 22x1.5 | 27 | 48 | 28 |
| 15 | 3/4" | 32 | 26x1.5 | 32 | 49 | 29 |
| 20 | 1" | 41 | 30x2 | 36 | 50 | 30 |
| 25 | 1 1/4" | 50 | 36x2 | 41 | 55 | 35 |
| 32 | 1 1/2" | 55 | 45x2 | 50 | 55 | 35 |
| 40 | 2" | 65 | 52x2 | 60 | 55 | 35 |
| 50 | 2 1/2" | 75 | - | - | 65 | 45 |
*Egyéb menetes csatlakozások kérésre kaphatók, mint metrikus, NPT, hengeres
**A teljes menetspecifikációk a függelékben, a normáinkat tartalmazó katalógusoldalon találhatóak

Csavaros csatlakozás az anyacsavarok lapos tömítésével az SE110 típusú hullámtömlőhöz.
Kapható acélból vagy rozsdamentes acélból. Méretek a szabvány vagy az ügyfél igényei szerint.

| DN | DIN2999 | ISO228 | l | l1 | ||
|---|---|---|---|---|---|---|
| [mm] | d | SW | d | SW | [mm] | [mm] |
| 6 | 1/4" | 17 | 14x1.5 | 17 | 44 | 24 |
| 8 | 3/8" | 20 | 16x1.5 | 19 | 44 | 24 |
| 10 | 1/2" | 24 | 18x1.5 | 22 | 45 | 25 |
| 12 | 5/8" | 27 | 22x1.5 | 27 | 48 | 28 |
| 15 | 3/4" | 32 | 26x1.5 | 32 | 49 | 29 |
| 20 | 1" | 41 | 30x2 | 36 | 50 | 30 |
| 25 | 1 1/4" | 50 | 36x2 | 41 | 55 | 35 |
| 32 | 1 1/2" | 55 | 45x2 | 50 | 55 | 35 |
| 40 | 2" | 65 | 52x2 | 60 | 55 | 35 |
| 50 | 2 1/2" | 75 | - | - | 65 | 45 |
*Egyéb menetes csatlakozások kérésre kaphatók, mint metrikus, NPT, hengeres
**A teljes menetspecifikációk a függelékben, a normáinkat tartalmazó katalógusoldalon találhatóak
